Preparations before cleaning

1
Step on the ON of the caster stopper. (2 locations)
2
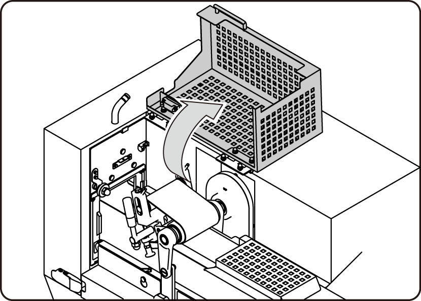
Open the conveyor cover.